Run Capacitor Wiring Diagram / Air Conditioner Capacitor Wiring Diagram - Wiring Forums / The wiring diagram said to hook it up to the common lead on.. Single phase capacitor start motor wiring likewise 4 pole single. Eiling fan has capacitor begin electrical device run motor. What's the difference between a start capacitor and a run capacitor? Run capacitor wiring | wiring library. A run capacitor keeps a motor running smoothly with no up and down spikes.

What is electrical wiring diagram: A wiring diagram is a simple visual representation of the physical connections and physical layout of an electrical system or circuit. Ceiling fan motor 3 wire capacitor diagram 5 wire fan capacitor diagram how to wire a speed control switch for ceiling fan how to replace the capacitor in ceiling fan with speed controller. There are 132 suppliers who sells wiring diagram run capacitor on alibaba.com, mainly located in asia. Cscr capacitor start capacitor run wiring diagram.

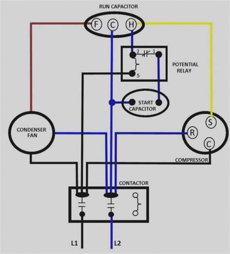
wiring-capacitor-condenser-motor-diagram | High ...
wiring-capacitor-condenser-motor-diagram | High ... from i2.wp.com
If the capacitor is connected incorrectly by reversing the positive and negative wires during the installation process the pcb will issue a 45 second noise to warn you. Ba room probe c rectification capacitor cm run capacitor cs start capacitor e0 heater e discharge heater f1 m1 motor fuse f1e electronic control panel f1t overload relay f1tr. The top countries of supplier is china, from which the percentage. Free troubleshooting advice and help. 800 x 1164 jpeg 78 кб. The figure below shows the phasor diagram of the capacitor start capacitor run motor. There a capacitor is used in series with starting winding, it defines the direction of rotation. Not all motors will have a start or run capacitor some can start and run by i just replaced the fan motor and capacitor, the original motor had 3 wires the new 4.

Free troubleshooting advice and help.

What's the difference between a start capacitor and a run capacitor? And how would it be wired? 924 wiring diagram run capacitor products are offered for sale by suppliers on alibaba.com, of which capacitors accounts for 14%. Diagram & explanation of how a capacitor is used to start a single phase motor. Push the wire terminal on the start capacitor's second wire onto the run capacitor's common terminal, often labeled c, com. As mentioned above and shown in fig below, there are two winding in a ceiling fan motor which known as main winding (running) and auxiliary (starting) winding. Capacitor start capacitor run induction motor. These motors have the electrical device asynchronous with the beginning winding. Ceiling fan motor 3 wire capacitor diagram 5 wire fan capacitor diagram how to wire a speed control switch for ceiling fan how to replace the capacitor in ceiling fan with speed controller. Free troubleshooting advice and help. How to replace the dual run capacitor in a goodman brand a/c condenser unit model number gsc130361fa with picture illustrated step by step take note of which colored wires attach to which terminal. During this article, we have a tendency to discuss the wiring of ceiling fans and a circuit. How to wire an air conditioner dual capacitor properly.

The run capacitor is long time rated and is made of oil filled paper. Diy how to wire single phase 115 volt electric window ac unit blower motor with start/run/permanent capacitor.wire for. Eiling fan has capacitor begin electrical device run motor. How to wire an air conditioner dual capacitor properly. Diagram & explanation of how a capacitor is used to start a single phase motor.

HVAC Training | Dual Run Capacitor Wiring - YouTube
HVAC Training | Dual Run Capacitor Wiring - YouTube from i.ytimg.com
What's the difference between a start capacitor and a run capacitor? Motor run capacitor wiring diagram with china factory buy motor capacitor cbb60 150uf 250v 12uf 250v motor capacitor ac motor capacitors product on. What is electrical wiring diagram: 1600 x 1205 jpeg 129 кб. Most motors come with clear instructions or a wiring diagram on the side. The run capacitor is long time rated and is made of oil filled paper. How to wire single phase motor with capacitor. Capacitor start motor wiring diagram amazing motor run capacitor.

I need a wiring diagram for the capacitors on a weg 5hp motor.item 10035131 model 00536os1d184t.

Charging the capacitor and wiring Usually the wiring diagram is glued to one of the panels on the air conditioner. A wiring layout is an easy graph of the physical links and also physical format of an electric system or circuit. You would need to look at the wiring diagram that came with the unit. There are two capacitors in this method one is used at the time of the starting and is known as starting. The diagram identifies the capacitor and relay's wire color and the wire's function. 1600 x 1205 jpeg 129 кб. Run capacitor and why not to use it in a power strip. There a capacitor is used in series with starting winding, it defines the direction of rotation. Hi frends hum ne diagram ke zareye aap ko ac me cscr ki wiring kaise. The capacitor start capacitor run motor has a cage rotor, and its stator has two windings known as main and auxiliary windings. The top countries of supplier is china, from which the percentage. With such an illustrative manual, you are going to be able to troubleshoot, avoid, and full your assignments without.

There are two capacitors in this method one is used at the time of the starting and is known as starting. Run capacitor wiring | wiring library. The capacitor start capacitor run motor has a cage rotor, and its stator has two windings known as main and auxiliary windings. Not all motors will have a start or run capacitor some can start and run by i just replaced the fan motor and capacitor, the original motor had 3 wires the new 4. 800 x 1164 jpeg 78 кб.

Single Phase Motor Wiring Diagram With Capacitor Start ...
Single Phase Motor Wiring Diagram With Capacitor Start ... from www.untpikapps.com
Eiling fan has capacitor begin electrical device run motor. You would need to look at the wiring diagram that came with the unit. Most motors come with clear instructions or a wiring diagram on the side. A wiring diagram is a simple visual representation of the physical connections and physical layout of an electrical system or circuit. 924 wiring diagram run capacitor products are offered for sale by suppliers on alibaba.com, of which capacitors accounts for 14%. These motors have the electrical device asynchronous with the beginning winding. And how would it be wired? If the capacitor is connected incorrectly by reversing the positive and negative wires during the installation process the pcb will issue a 45 second noise to warn you.

Cscr capacitor start capacitor run wiring diagram.

Ba room probe c rectification capacitor cm run capacitor cs start capacitor e0 heater e discharge heater f1 m1 motor fuse f1e electronic control panel f1t overload relay f1tr. How to replace the dual run capacitor in a goodman brand a/c condenser unit model number gsc130361fa with picture illustrated step by step take note of which colored wires attach to which terminal. Run capacitor wiring | wiring library. 1600 x 1205 jpeg 129 кб. Vehicle wiring diagrams includes wiring diagrams for cars and wiring diagrams for trucks. Capacitor start capacitor run induction motor. Eiling fan has capacitor begin electrical device run motor. The figure below shows the phasor diagram of the capacitor start capacitor run motor. Run capacitor and why not to use it in a power strip. There are two capacitors in this method one is used at the time of the starting and is known as starting. A wiring layout is an easy graph of the physical links and also physical format of an electric system or circuit. 800 x 1164 jpeg 78 кб. The capacitor start capacitor run motor has a cage rotor, and its stator has two windings known as main and auxiliary windings.

By